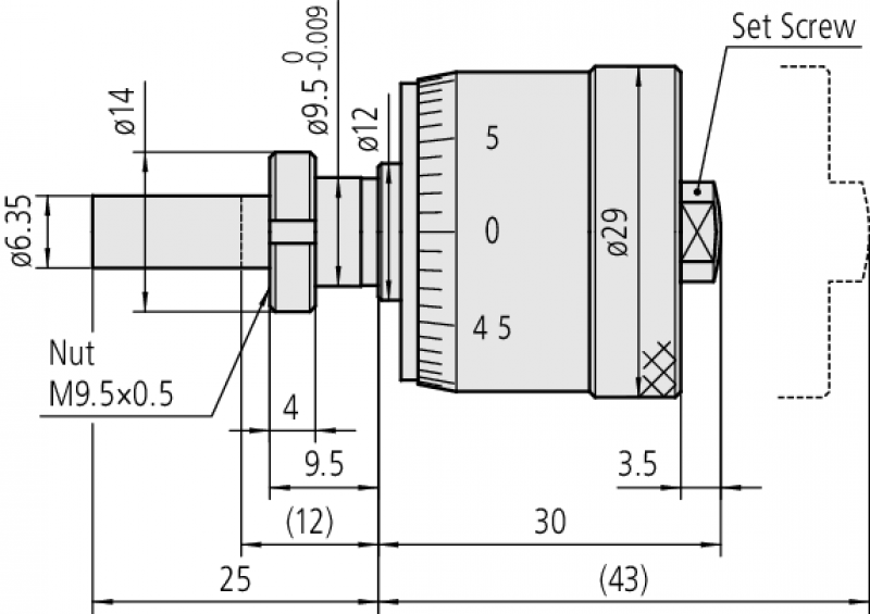
Micrometer Head, Short Thimble Type

Cikkszám: 148-312-10
Márka: Mitutoyo
Mitutoyo
Várható szállítási idő: 4-5 nap

Egységár:
Bruttó: 51.168 Ft / darab
darab
Leírás Garancia Szervíz

Forgalmazott márkák

Iratkozzon fel hírlevelünkre
és értesüljön elsőként!